
ໄດ້ Stm8S103F3P3P3P3 ແມ່ນ microcontroller 8 ບິດທີ່ຜະລິດໂດຍ stmoroelectronics, ມີຊື່ສຽງສໍາລັບການເຮັດວຽກທີ່ຫນ້າປະທັບໃຈແລະການເຊື່ອມໂຍງຢ່າງສະດວກສະບາຍ.ອຸປະກອນທີ່ກະທັດລັດນີ້ແມ່ນຕິດຕັ້ງດ້ວຍອຸປະກອນທີ່ຕິດຢູ່ດ້ານຫນ້າ (SMD), ປະກອບເປັນຫຼັກແລະອຸປະກອນທີ່ກ້າວຫນ້າທີ່ຜະລິດໄດ້ໂດຍໃຊ້ເຕັກໂນໂລຢີທີ່ມີການຕັດສິນລະປະ.ດ້ວຍຄວາມຖີ່ຂອງໂມງຂອງ 16 MHz, Stm8S103F3F3F3P3P3p3p3p3p3p3p3p6pລະບົບເຝົ້າລະວັງທີ່ເປັນເອກະລາດຂອງມັນ, ພ້ອມດ້ວຍລະບົບຄວາມປອດໄພຂອງໂມງແລະໂມງທີ່ເປັນເອກະລາດ, ຮັບປະກັນການປະຕິບັດງານຂອງອຸປະກອນແລະຄວາມຢືດຢຸ່ນຈາກການລົບກວນຂອງອຸປະສັກ.
ຫນຶ່ງໃນຄຸນລັກສະນະໂດດເດັ່ນຂອງມັນແມ່ນຄວາມຊົງຈໍາແຟດ, ເຊິ່ງສະຫນອງການເກັບຮັກສາທີ່ບໍ່ແມ່ນການປ່ຽນແປງສໍາລັບລະຫັດແລະຂໍ້ມູນ.ດ້ວຍຄວາມດັນສູງໃນການປະຕິບັດງານຂະຫນາດ 2.95 v ເຖິງ 5.5 v, microcontroller ນີ້ແມ່ນມີຄວາມຊໍານິຊໍານານແລະສາມາດປັບຕົວໄດ້.ນອກຈາກນັ້ນ, ມັນກໍ່ໃຫ້ລະດັບອຸນຫະພູມທີ່ກ້ວາງຂວາງຂອງ -40 ° C ເຖິງ 85 ° C, ເຮັດໃຫ້ມັນເຫມາະສົມກັບການນໍາໃຊ້ສະພາບແວດລ້ອມ.
• MSP430G2353
• PIC16LFLAMM18444T


ການຊົມໃຊ້ພະລັງງານຕໍ່າ: ມັນມີຮູບແບບການບໍລິໂພກທີ່ມີຄວາມຫລາກຫລາຍໃຫ້ເລືອກ, ລວມທັງແບບບໍ່ເຮັດວຽກ, ຮູບແບບການນອນຫລັບ, ເຊິ່ງສາມາດຂະຫຍາຍຊີວິດແບັດເຕີຣີໄດ້ແລະປະຫຍັດພະລັງງານຢ່າງມີປະສິດຕິຜົນ.
ປະສິດທິພາບສູງ: ມັນຮັບຮອງເອົາສະຖາປັດຕະຍະກໍາຫຼັກທີ່ສູງ, ເຊິ່ງຊ່ວຍໃຫ້ຄວາມຖີ່ຂອງການປະຕິບັດງານສູງເທົ່າກັບ 16MHz, ເຊິ່ງຊ່ວຍໃຫ້ຄວາມສາມາດໃນການປະຕິບັດການສິດສອນສູງສຸດແລະໃຫ້ຄວາມສາມາດຄອມພິວເຕີ້ສໍາລັບການນໍາໃຊ້ຂອງພວກເຮົາ.
ອິນເຕີເຟດການສື່ສານຫຼາຍຢ່າງ: ມັນສະຫນັບສະຫນູນການໂຕ້ຕອບການສື່ສານຫຼາຍໆຊະນິດລວມທັງ spi (ອະນຸຍາດ serialheral popipheral), I2C ແລະ UART.ໂດຍຜ່ານການໂຕ້ຕອບເຫຼົ່ານີ້, ມັນສາມາດສື່ສານໄດ້ງ່າຍແລະພົວພັນກັບອຸປະກອນພາຍນອກເພື່ອໃຫ້ໄດ້ຮັບຫນ້າທີ່ແລະການນໍາໃຊ້ເພີ່ມເຕີມ.
ອຸປະກອນເສີມທີ່ອຸດົມສົມບູນ: microcontroller ທີ່ອຸດົມສົມບູນມີຊັບພະຍາກອນທີ່ອຸດົມສົມບູນທີ່ສຸດ, ລວມທັງອິນເຕີເຟດ Flash ແລະ RAM, ພ້ອມທັງ Pins GPio, Timers, ແລະ UART.ຄວາມຫຼາກຫຼາຍຂອງອຸປະກອນເຫຼົ່ານີ້ເຮັດໃຫ້ອຸປະກອນທີ່ເຫມາະສົມກັບສະຖານະການການນໍາໃຊ້ຕ່າງໆແລະສາມາດຕອບສະຫນອງຄວາມຕ້ອງການຂອງທົ່ງນາແລະອຸດສາຫະກໍາທີ່ແຕກຕ່າງກັນ.ບໍ່ວ່າຈະເປັນການຄວບຄຸມອຸດສາຫະກໍາ, ສະຫຼາດເຮືອນ, ຫລືລະບົບທີ່ເຫມາະສົມ, Stm8S103F3F3P3P3P3P3P3P6 ສາມາດໃຫ້ການສະຫນັບສະຫນູນ.

StM8S103F3P3P3P3P3P3P3P3P3P3P3P3p3p3p3p3pຮ່າງກາຍແລະສະຖານທີ່ນໍາພາແມ່ນນ້ອຍກວ່າການຫຸ້ມຫໍ່ SoIC.ລັກສະນະປົກກະຕິຂອງ TSSOP ແມ່ນການສ້າງຕັ້ງຂອງເຂັມອ້ອມຮອບຊິບຫຸ້ມຫໍ່, ເຊິ່ງເຮັດໃຫ້ມັນເຫມາະສົມກັບສາຍໄຟຟ້າໃນຄອມພີວເຕີ້ໂດຍໃຊ້ເທັກໂນໂລຢີ SMT.ເມື່ອໃຊ້ຊຸດ TSSOP, ຕົວກໍານົດການແມ່ກາຝາກ (ຜົນຜະລິດແຮງດັນໄຟຟ້າແຮງດັນທີ່ເກີດຈາກການປ່ຽນແປງຂະຫນາດໃຫຍ່) ມີຂະຫນາດນ້ອຍກວ່າ) ສໍາລັບການນໍາໃຊ້ຄວາມຖີ່ສູງ.ຊຸດປະເພດນີ້ແມ່ນສະດວກກວ່າໃນການປະຕິບັດງານແລະມີຄວາມຫນ້າເຊື່ອຖືສູງຂື້ນ.
ຊຸດ TSSOP ມີຄຸນລັກສະນະດັ່ງຕໍ່ໄປນີ້:
•ລະດັບ Pin ຂະຫນາດນ້ອຍ: PIN Spacing ໂດຍທົ່ວໄປແມ່ນ 0.5mm ຫຼື 0.65mm ໂດຍທົ່ວໄປ.ໂດຍຜ່ານການອອກແບບຂອງແຖບທອງແດງ Circuit Board, ອຸປະກອນເພີ່ມເຕີມສາມາດຖືກຈັດໃສ່ໃນກະດານວົງຈອນທີ່ມີພື້ນທີ່ແລະຂະຫນາດດຽວກັນ.
•ຂອບເຂດທີ່ກວ້າງຂວາງ: ມັນສາມາດຖືກນໍາໃຊ້ກັບທົ່ງນາຕ່າງໆເຊັ່ນ MicroController, DSPS, ຊິບການສະຫນອງພະລັງງານ, ແລະຊິບການສະຫນອງພະລັງງານ.
•ຈໍານວນລະຫັດ PIN ສູງ: ຈໍານວນເຂັມໂດຍທົ່ວໄປປະມານ 20 ຫາ 64, ເຊິ່ງສາມາດຕອບສະຫນອງຄວາມຕ້ອງການການເຊື່ອມໂຍງເຂົ້າຊິບບາງຢ່າງ.
•ຂະຫນາດຊຸດນ້ອຍ: ປຽບທຽບກັບຊຸດຂະຫນາດນ້ອຍ (ອື່ນໆ), ຂະຫນາດຂອງຊຸດມັນມີຂະຫນາດນ້ອຍກວ່າ, ຫນາຈະມີຂະຫນາດນ້ອຍກວ່າ, ແລະປະລິມານທີ່ມີຂະຫນາດນ້ອຍກວ່າ, ເຮັດໃຫ້ມີການຫຸ້ມຫໍ່ວົງຈອນທີ່ມີຄວາມຫນາແຫນ້ນສູງ.
•ປະສິດທິພາບສູງ: ມັນຮັບປະທານດ້ານແຮງສົ່ງຮັບຮອງເອົາເຕັກໂນໂລຢີດ້ານຫນ້າ, ມີຄວາມຕ້ານທານທີ່ດີແລະສາມາດຕອບສະຫນອງຄວາມຕ້ອງການພິເສດ, ຄວາມຖີ່ສູງ, miniaturization ແລະອື່ນໆ.
ເວັ້ນເສຍແຕ່ໄດ້ລະບຸຢ່າງອື່ນ, ແຮງດັນທັງຫມົດແມ່ນຖືກກ່າວເຖິງ VSS.
ຄຸນຄ່າຕ່ໍາສຸດແລະສູງສຸດແມ່ນຮັບປະກັນພາຍໃຕ້ສະພາບການທີ່ບໍ່ດີທີ່ສຸດ, ກວມເອົາອຸນຫະພູມອາກາດລ້ອມຮອບ, ການສະຫນອງແຮງຕິສູງ, ແລະຄວາມຖີ່.ການຮັບປະກັນເຫຼົ່ານີ້ແມ່ນຖືກສ້າງຕັ້ງຂື້ນໂດຍຜ່ານການທົດສອບການຜະລິດທີ່ເຂັ້ມງວດໃນອຸນຫະພູມອາກາດລ້ອມຮອບ 100 ° C ແລະ Ta C ແລະທີ່ກໍານົດໂດຍລະດັບອຸນຫະພູມທີ່ເລືອກ).
ຄຸນຄ່າໂດຍອີງໃສ່ຜົນໄດ້ຮັບຄຸນລັກສະນະ, ການຈໍາລອງ, ການອອກແບບ, ການອອກແບບ, ແລະ / ຫຼືຄຸນລັກສະນະທາງດ້ານເຕັກໂນໂລຢີແມ່ນໄດ້ລະບຸໄວ້ໃນຫມາຍຄວາມວ່າຕາຕະລາງແລະບໍ່ໄດ້ຜ່ານການທົດສອບການຜະລິດ.ກ່ຽວກັບຄຸນລັກສະນະ, ລາຄາຕໍາ່ສຸດແລະສູງສຸດທີ່ກ່ຽວຂ້ອງກັບການປະເມີນຕົວຢ່າງແລະຫມາຍເຖິງມູນຄ່າສະເລ່ຍຫຼືລົບສາມເທົ່າຂອງ deviation ມາດຕະຖານ (ຫມາຍຄວາມວ່າ±3σ).
ເວັ້ນເສຍແຕ່ໄດ້ລະບຸໄວ້ຢ່າງຈະແຈ້ງຖ້າບໍ່ດັ່ງນັ້ນ, ຂໍ້ມູນມາດຕະຖານໄດ້ຖືກສ້າງຕັ້ງຂື້ນກັບ TA = 25 ° C. VDD
ຄວາມຖືກຕ້ອງປົກກະຕິຂອງຄຸນຄ່າຂອງ ADC ແມ່ນຖືກສ້າງຕັ້ງຂື້ນໂດຍຜ່ານຄຸນລັກສະນະຂອງຊຸດຂອງຕົວຢ່າງຈາກ LOWN STAYS DIRIEM OF REMOWE.ໃນສະພາບການນີ້, 95% ຂອງອຸປະກອນດັ່ງກ່າວສະແດງຄວາມຜິດພາດພາຍໃນມູນຄ່າທີ່ລະບຸໄວ້ (ຫມາຍຄວາມວ່າ±2σ).
ເວັ້ນເສຍແຕ່ໄດ້ລະບຸໂດຍສະເພາະ, ກາຟມາດມາດຕະຖານທັງຫມົດມີຈຸດປະສົງພຽງແຕ່ເປັນເອກະສານຄົ້ນຫາແລະບໍ່ໄດ້ຮັບການທົດສອບ.
ເກີນອັດຕາການໃຫ້ຄະແນນທີ່ສູງສຸດທີ່ລະບຸໄວ້ສາມາດສົ່ງຜົນໃຫ້ເກີດຄວາມເສຍຫາຍຖາວອນກັບອຸປະກອນ.ການໃຫ້ຄະແນນເຫຼົ່ານີ້ຊີ້ບອກເຖິງຂີດຈໍາກັດຂອງຄວາມກົດດັນທີ່ອຸປະກອນສາມາດອົດທົນໄດ້, ແລະມັນບໍ່ໄດ້ຫມາຍຄວາມວ່າອຸປະກອນດັ່ງກ່າວຈະເຮັດວຽກຢ່າງຖືກຕ້ອງພາຍໃຕ້ເງື່ອນໄຂດັ່ງກ່າວ.ການສໍາຜັດກັບສະພາບການຢູ່ຫລືໃກ້ກັບຄະແນນສູງສຸດສາມາດສົ່ງຜົນກະທົບຕໍ່ຄວາມຫນ້າເຊື່ອຖືຂອງອຸປະກອນ.
ຂໍ້ມູນພາລະກິດຂອງອຸປະກອນ, ເຊິ່ງຊີ້ແຈງເງື່ອນໄຂການສະຫມັກຂອງມັນ, ຍຶດຫມັ້ນມາດຕະຖານຄຸນວຸດທິຂອງ Jedec Jedec Jedec47, ເຊິ່ງມີໂປແກຼມພາລະພາລະກິດຂະຫຍາຍທີ່ມີຢູ່ຕາມການຮ້ອງຂໍ.
ເພື່ອບັນລຸສະຖຽນລະພາບສໍາລັບຜູ້ຄວບຄຸມຂັ້ນຕົ້ນ, ຕົວເມືອງໃຫຍ່ພາຍນອກທີ່ຕິດປ້າຍ Cext ຄວນເຊື່ອມຕໍ່ກັບ PIN VCA.ມັນເປັນສິ່ງຈໍາເປັນເພື່ອຮັບປະກັນວ່າຊຸດການເກີດຂື້ນຂອງຊຸດຍັງຄົງຢູ່ຕໍ່າກວ່າ 15 NH.
ການບໍລິໂພກໃນປະຈຸບັນແມ່ນຖືກວັດແທກດັ່ງທີ່ສະແດງຢູ່ໃນຮູບຕໍ່ໄປນີ້.

ການສະຫນອງທັງຫມົດສະຫນອງການບໍລິໂພກໃນປະຈຸບັນໃນຮູບແບບການດໍາເນີນງານ
MCU ແມ່ນຖືກຈັດໃສ່ໃນເງື່ອນໄຂດັ່ງຕໍ່ໄປນີ້:
•ອຸປະກອນທັງຫມົດຖືກປິດໃຊ້ງານ (ໂມງຢຸດໂດຍຜູ້ລົງທະບຽນໂມງພະລັງງານດ້ານເຂັມສັກຢາ) ຍົກເວັ້ນຖ້າໄດ້ກ່າວມາຢ່າງຊັດເຈນ.
• pins I / O ທັງຫມົດໃນຮູບແບບການປ້ອນຂໍ້ມູນທີ່ມີມູນຄ່າຄົງທີ່ຢູ່ VDD ຫຼື VSS (ບໍ່ມີການໂຫຼດ)
ຂຶ້ນກັບສະພາບການປະຕິບັດງານທົ່ວໄປສໍາລັບ VDD ແລະ TA.

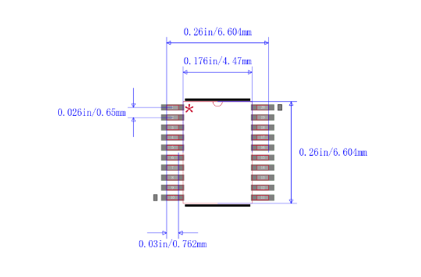
Stm8S103F3F3F3P3 ມີ 20 pins, ຊື່ PIN ແລະຫນ້າທີ່ແມ່ນມີດັ່ງຕໍ່ໄປນີ້:
PIN1 (PD4 / BeEP / Tim2_ CH1 / UART1 _CK): Port D4
PIN2 (PD5 / AIN5 / AIN5 / UART1 _TX): Port D5
PIN3 (PD6 / Ain6 / UART1 _RX): Port D6
PIN4 (NRST): RESET
PIN5 (PA1 / Oscin): Port A1
PIN6 (PA2 / Oscout): Port A2
PIN7 (VSS): ພື້ນທີ່ດິຈິຕອນ
PIN8 (VCAP): 1,8 v capacitor
PIN9 (VDD): ການສະຫນອງພະລັງງານດິຈິຕອລ
PIN10 (PA3 / TIME2_ CH3 [SPI_ NSS]): Port A3
PIN11 (PB5 / I2C_ SDA [Tim1_ Bkin]): Port B5
PIN12 (PB4 / I2C_ SCL): Port B4
PIN13 (PC3 / Tim1_ch3 [tli] [Tim1_ ch1n]): Port C3
PIN14 (PC4 / CLK_CCO / TOM1_ CH4 / Ain2 / [Tim1_ Ch2n]): Port C4
PIN15 (PC5 / SPI_SCK [TIM2_ CH1]): PORT C5
PIN16 (PC6 / PC_MOSI [TIM1_ CH1]): Port C6
PIN17 (PC7 / Spi_miso [Tim1_ Ch2]): Port C7
PIN18 (PD1 / ລອຍນ້ໍາ): Port D1
PIN19 (PD2 / Ain3 / [Tim2_ CH3]): Port D2
Pin20 (PD3 / Ain4 / Tim2_ CH2 / ADC_ ETR): Port D3
ດັ່ງທີ່ສະແດງຢູ່ໃນຮູບຂ້າງເທິງ, Pins ທີ່ມີຄວາມເຄັ່ງຕຶງສູງເຖິງ 16,ໃຊ້ເປັນການປ້ອນຂໍ້ມູນໃສ່ເຂັມຂັດເພື່ອອ່ານສັນຍານພາຍນອກຫຼືເປັນເຂັມທີ່ອອກເພື່ອສົ່ງສັນຍານໄປຫາອຸປະກອນພາຍນອກ.ນອກຈາກນັ້ນ, ແຕ່ລະລະຫັດ I / O ສາມາດໄດ້ຮັບການແຕ່ງຕັ້ງເປັນອິດສະຫຼະໃນການສະກັດກັ້ນ vector ເພື່ອອໍານວຍຄວາມສະດວກໃນການປຸງແຕ່ງທີ່ຖືກຕ້ອງຂອງການຂັດຂວາງເມື່ອມັນເກີດຂື້ນ.
•ລະບົບອັດຕະໂນມັດ: microcontroller ນີ້ສາມາດໃຊ້ໄດ້ໃນລະບົບອັດຕະໂນມັດເຊັ່ນ: ຜ້າມ່ານໄຟຟ້າ, ລະບົບຄວບຄຸມການເຂົ້າເຖິງ, ການຄວບຄຸມອຸນຫະພູມແລະການຄວບຄຸມການເຮັດໃຫ້ມີແສງ.
• iot (ອິນເຕີເນັດຂອງການສະຫມັກ) ຖ້າພວກເຮົາຕ້ອງການພັດທະນາອຸປະກອນ IOT, ມັນສາມາດໃຊ້ເປັນຕົວຄວບຄຸມສໍາລັບ iot nodes ແລະຄວບຄຸມໂມດູນແລະໂມດູນການສື່ສານ.
•ອຸປະກອນເອເລັກໂຕຣນິກສ່ວນຕົວ: ໃຊ້ໃນກ້ອງຖ່າຍຮູບດິຈິຕອລ, ເຄື່ອງຫຼີ້ນ MP3 ແລະ MP4, ເຄື່ອງຫຼີ້ນເກມເອເລັກໂຕຣນິກ, ແລະອື່ນໆ.
•ອຸປະກອນອີເລັກໂທຣນິກ: ໃຊ້ໃນການພັດທະນາອຸປະກອນເອເລັກໂຕຣນິກຕ່າງໆ
ເຊັ່ນຊຶ່ງຫຼິ້ນເມນູເອເລັກໂຕຣນິກ, ການຄວບຄຸມໄລຍະໄກ, ເຄື່ອງຄິດໄລ່ mini, ແລະອື່ນໆ.
•ພາກສະຫນາມອຸດສາຫະກໍາ: ໃຊ້ໃນ PLC, ຜູ້ຄວບຄຸມອຸດສາຫະກໍາ, ອັດຕະໂນມັດຂະຫຍາຍຕົວແລະອຸປະກອນຄວບຄຸມອັດຕະໂນມັດ, ແລະອື່ນໆ.
•ການຊື້ແລະການໂຕ້ຕອບຂອງ Sensor: ໃຊ້ໃນການຕິດຕາມສະພາບແວດລ້ອມແລະເກັບກໍາຂໍ້ມູນຫຼືເຊື່ອມຕໍ່ແກັບແສງສະຫວ່າງ, ແກັບອຸນຫະພູມ, ແລະແກັບຄວາມຊຸ່ມຊື່ນ.
•ລະບົບຄວບຄຸມທີ່ຝັງຢູ່: ໃຊ້ໃນການອອກແບບລະບົບຄວບຄຸມຕ່າງໆທີ່ຝັງຢູ່ໃນລະບົບອຸດສາຫະກໍາ, ເຄື່ອງມືການປຸງແຕ່ງ 8 ບິດແລະອື່ນໆແມ່ນພຽງພໍສໍາລັບວຽກງານຄວບຄຸມງ່າຍດາຍຫຼາຍ.
STM8S103F3P3P3P3P6P6 ແມ່ນຊິບ microcontroller ທີ່ພັດທະນາໂດຍ Stemaroelectronics.ມັນເປັນຂອງຄອບຄົວ Stm8 ຂອງ microcontrolers 8 ບິດແລະຖືກນໍາໃຊ້ຢ່າງກວ້າງຂວາງໃນລະບົບຕ່າງໆແລະໂປແກຼມ IOT.
STM8S103F3P3 ຫນ່ວຍງານ MicroController ມີ ROM 640 BLUL, 10-bit 5 ຊ່ອງ ADC, 1KB RAM ແລະມີຂະຫນາດຄວາມຈໍາຂອງໂປແກມ 8kB.
We can replace the STM8S103F3P6 with the MSP430G2353, PIC16LF18444T, STM8S103F3P3, STM8S103F3P3TR or STM8S103F3P6TR.
ແມ່ນແລ້ວ, StM8S103F3P3P3P3P3P3P3P3P3p6p6 ມີການອອກແບບດ້ວຍຄຸນລັກສະນະທີ່ມີໄຟຟ້າຕ່ໍາແລະສາມາດໃຊ້ໄດ້ໃນການນໍາໃຊ້ໄຟຟ້າທີ່ໃຊ້ໄຟຟ້າຫຼືມີປະສິດທິພາບດ້ານພະລັງງານ.
ບາງລັກສະນະທີ່ສໍາຄັນຂອງ Stm8S103F3P3P3P3P3P3p3p3p3p3p3p3p3p3p3p3p3p3p3p3
ກ່ຽວກັບພວກເຮົາ
ລູກຄ້າພໍໃຈທຸກຄັ້ງ.ຄວາມໄວ້ວາງໃຈເຊິ່ງກັນແລະກັນແລະຄວາມສົນໃຈທົ່ວໄປ.
ສະເພາະດ້ານວິຊາການຂອງ Cell Cell Cell Lithium Cell Cell Cr2354
2024-08-02
ຄູ່ມືທີ່ສົມບູນແບບກັບ microcontroller atmega328-Pu
2024-08-02
ອີເມວ: Info@ariat-tech.comHK TEL: +852 30501966ເພີ່ມ: Rm 2703 27F Ho King Comm Center 2-16, ທ.
Fa Yuen St MongKok Kowloon, ຮ່ອງກົງ.